1П 7.14.12 плиты покрытия трамвайных путей

Чертеж изделия:
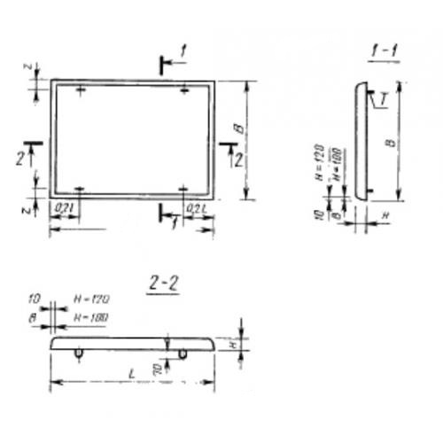
Характеристики изделия:
ПараметрЗначение
длина680 мм
ширина1390 мм
высота120 мм
масса280 кг
нормативный документГОСТ 19231.0(1)-83

1П 7.14.12  Плиты покрытия трамвайных путей ГОСТ 19231.0(1)-83.