СНпр 8-35

Чертеж изделия:
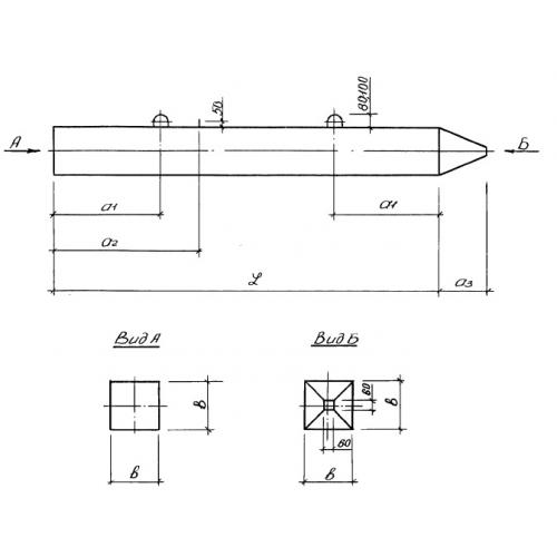
Характеристики изделия:
ПараметрЗначение
длина8000 мм
ширина350 мм
высота350 мм
масса2500 кг
нормативный документСерия 1.011-6

СНпр 8-35  Сваи цельные сплошного квадратного сечения с напрягаемой продольной арматурой из высокопрочной проволоки (Серия 1.011-6).