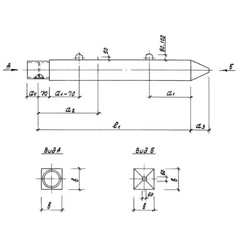
С 80.35-нс сваи составные нижние

Чертеж изделия:
Характеристики изделия:
ПараметрЗначение
длина8000 мм
ширина350 мм
высота350 мм
масса2500 кг
нормативный документСерия 1.011.1-10

С 80.35-нс   Сваи составные нижние Серия 1.011.1-10.