ППФ 9-75

Чертеж изделия:
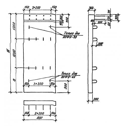
Характеристики изделия:
ПараметрЗначение
длина900 мм
ширина300 мм
высота7500 мм
вес3480 кг
серия1.012.1-3.97

ППФ 9-75 Плиты фундаментные плоские по серии 1.012.1-3.97.