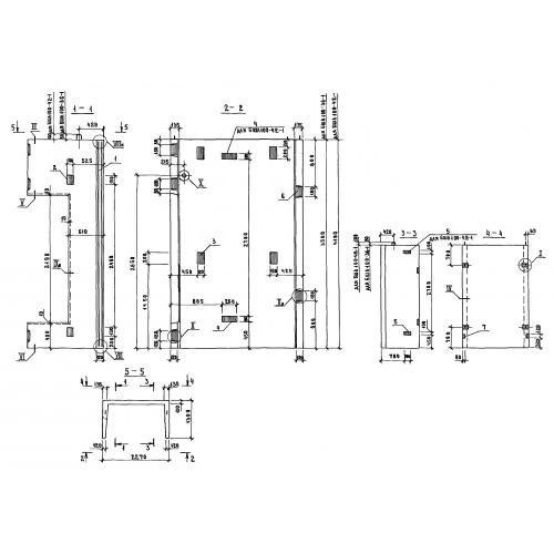
БШЛ 100-42 блок шахты лифта основной

Чертеж изделия:
Характеристики изделия:
ПараметрЗначение
длина2270 мм
ширина1300 мм
высота4180 мм
масса5510 кг
нормативный документСерия 1.089.1-1

БШЛ 100-42 Блоки шахт лифтов Серия 1.089.1-1.