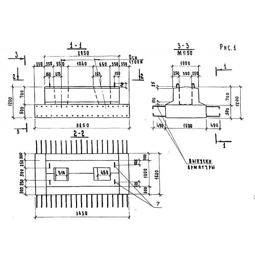
Ф-365

Чертеж изделия:
Характеристики изделия:
ПараметрЗначение
длина3650 мм
ширина2580 мм
высота1340 мм
вес11800 кг
серия3.503.1-53

Ф-365  Блоки фундамента по серии 3.503.1-53.