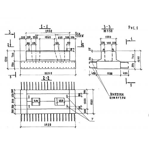
Ф-365

Чертеж изделия:
Характеристики изделия:
ПараметрЗначение
длина3650 мм
ширина2560 мм
высота1200 мм
вес11800 кг
серия3.503.1-57

Ф-365 Блоки фундамента по серии 3.503.1-57.