ФК

Чертеж изделия:
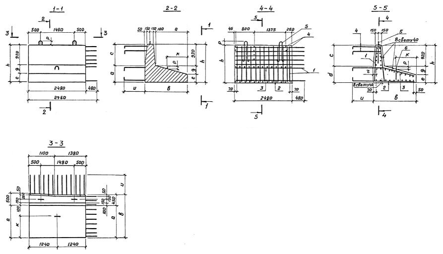
Характеристики изделия:
ПараметрЗначение
длина2960 мм
ширина2630 мм
высота1620 мм
масса8800 кг
нормативный документСерия 3.503.1-57

ФК  Блоки фундамента Серия 3.503.1-57.