БП 200

Чертеж изделия:
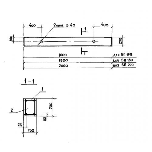
Характеристики изделия:
ПараметрЗначение
длина2000 мм
ширина150 мм
высота200 мм
вес150 кг
серия3.818.9-2

БП 200 Балки перекрытия каналов по серии 3.818.9-2.