УБ 10

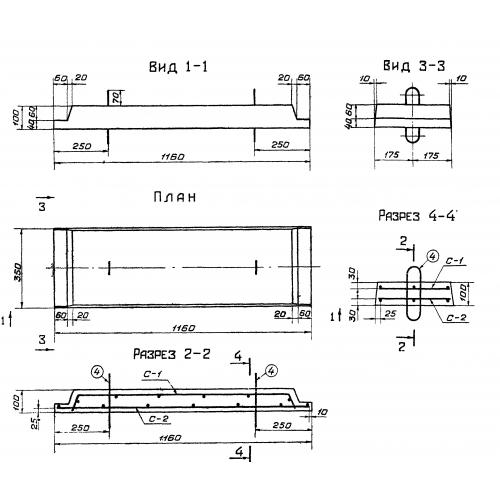
Чертеж изделия:
Характеристики изделия:
ПараметрЗначение
длина1160 мм
ширина350 мм
высота100 мм
масса93 кг
нормативный документСерия 3.820.1-69

УБ 10 Блок распорный по Серии 3.820.1-69.