СПК-2.5

Чертеж изделия:
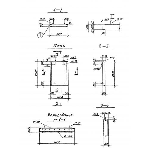
Характеристики изделия:
ПараметрЗначение
длина1430 мм
ширина2000 мм
высота180 мм
масса1280 мм
нормативный документСерия 3.903 КЛ-13

СПК-2.5  Средняя панель камеры по Серии 3.903 КЛ-13.