ПСП 63.12.2.5

Чертеж изделия:
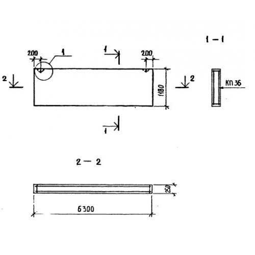
Характеристики изделия:
ПараметрЗначение
длина6300 мм
ширина1180 мм
высота250 мм
вес1490 кг
серияТП 213-2-183

ПСП 63.12.2.5 Плиты стеновые парапетные по проекту ТП 213-2-183.