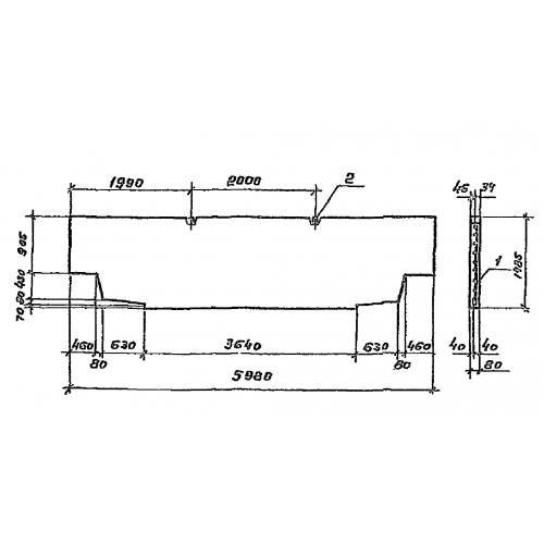
ППБ 3

Чертеж изделия:
Характеристики изделия:
ПараметрЗначение
длина5980 мм
ширина1485 мм
высота80 мм
масса1800 кг
нормативный документТП 901-4-63.83.

ППБ 3  Панели перегородочные по Типовому проекту ТП 901-4-63.83.